栃木県食品工場 建物の概要
A 鉄骨造2階建て
B 1階床面積 約5200㎡ 2階床面積 約1900㎡ 延べ床面積 約7100㎡
C 建築基準法上の準耐火建築物 (ロ-2)
D 面積区画1500㎡以内ごと、防火区画されている状況(1~2階 階段室竪穴区画)
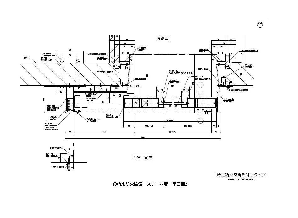
E 1階にある今回改修したいスチール扉は面積区画1500㎡ による特定防火設備(甲種防火扉)
スチール扉改修前状況
スチール扉改修前状況は、特定防火設備のスチール扉自閉式引戸が湿気により錆びてしまいガイドローラーと扉取合い部が破損して扉がスムーズに開閉しない状況でした。当然自閉式も機能せず手で力強く引っ張らないと開閉できない状況でした。また、扉枠や扉枠廻りの目隠し用見切り材、レール上部のHACCP用化粧カバーも錆びや劣化が見られ改修する必要性がありした。






スチール扉改修前条件
①面積区画1500㎡による防火区画の扉なので、特定防火設備の扉とする。
窓 耐熱ガラス5mm 特定防火設備 認定番号EA-0406
②湿気による錆・劣化に対応する仕様にする事。
スチール扉改修設計提案
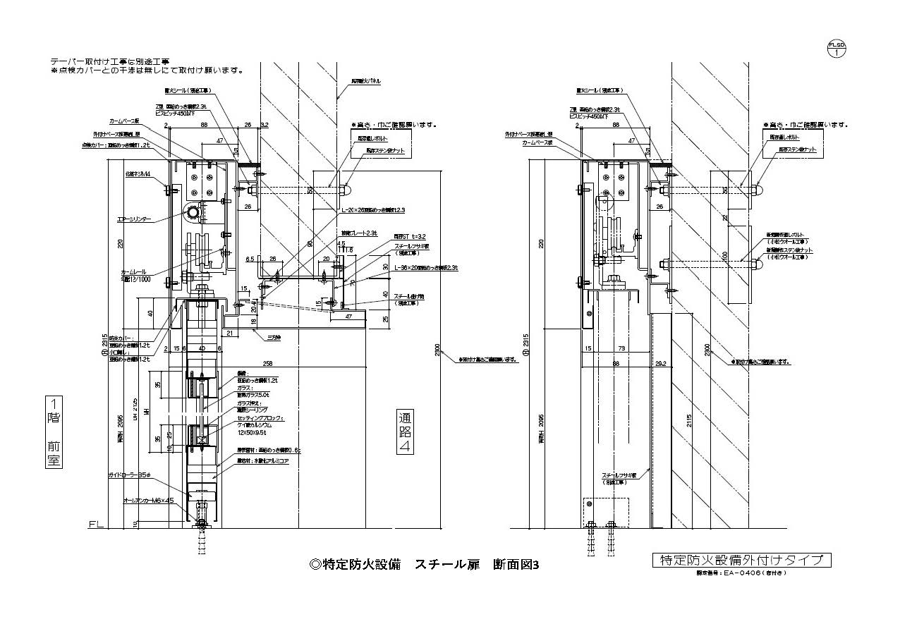
本来湿気対策としては、ステンレス製が望ましいのですが、メーカーさんに確認したところ特定防火設備としての認定は鉄製だけのもので、ステンレスでの認定は取れていないとの事でした。したがって扉、扉枠、レールカバーは鉄製になってしまいますが、焼き付け塗装を採用いたしました。焼き付け塗装は、傷が入りにくいですし、錆びにくいと考えました。
一方で、その他認定には関係ない部分のガイドローラーの扉側受け、扉が閉まった時のスキマ防止防炎カバー、目隠し用見切り材、レール上部のHACCP用化粧カバー、キックプレートは全て錆びにくいステンレスヘアーライン製作ものとして提案させていただきました。
通常鉄骨下地であれば扉の重みに対してしっかりと固定できるので心配ないのですが、防火区画の壁であり、冷蔵庫用の壁でもある厚さ10cmの断熱パネルにしっかり固定するためにはどうすればよいのか心配な点です。断熱パネルに通しボルトで固定する方法として、上下左右のたわみを抑えるため手前側ボルトどうしをフラットバーでつなぎ全体で強度アップしたいと考えました。
また改善案としては、HACCP用ステンレス製化粧カバー形状を少しのホコリも堆積しないように斜めもしくは垂直方向のみにさせていただきたいと考えました。扉の枠も既存のように床下に2.5cm埋め込み式にすると湿気により水分を吸い上げ、劣化が著しくなっておりましたので、床上に1cmほど隙間を作り湿気対策にしようと考えました。隙間は耐火シールで塞ぎます。以上の提案内容で、お客様の承認のもと施工に入らせていただきました。






スチール扉改修後の状況
扉をスムーズに開け閉めできるようになりました。塗床水硬性硬質ウレタン7mmの塗床も平らに仕上がりました。工場のオペレーションとしてもスムーズになり、お客様にも喜んでいただきました。検収いただき引渡しとさせていただきました。




